Welcome to the official website of changchun shenghao electronics co., LTD...
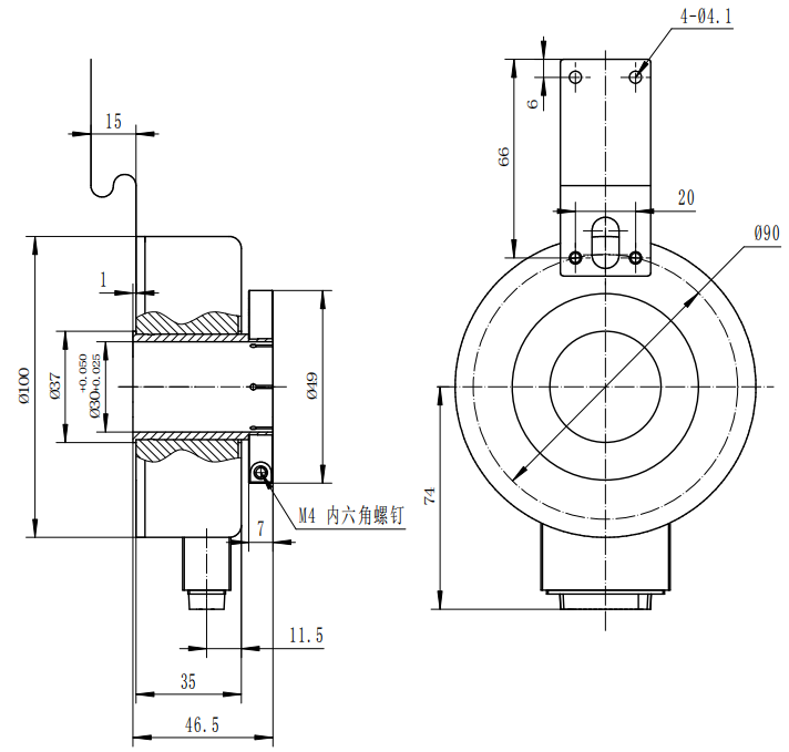
Current Location:Home > INCREMENTAL ENCODER > EL-A1A30 GeneralIncremental Encoder


Electric Parameter
| Output Form | Line Driver | Push-pull | Open Collector | Voltage |
| Output Signal | ABZ A/B/Z | ABZ | ||
| Supply Voltage | DC5±5%、DC8V~30V±5% | |||
| Working Consumption | 100mA(Max) | |||
| Response Frequency | 300KHz(Max) | |||
| Signal Accurancy | T±1/8T | |||
| Rise & Fall Time | 1000ns(Max) | |||
| Signal Top Value | 2.5V(Min) | |||
| Signal Low Value | 0.6V(Max) | |||
| Insulation Resistance | ≥10MΩ(500VDC) | |||
| Resolution | 300、512、600、1000、1024P/R Notes: Resolution can be customized. | |||
Mechanical Parameter
| Max RPM | 6000rpm |
| Axle Load | 30N(Radial)、20N(Axial ) |
| Starting Torque | 0.002N·m(Max 25℃) |
| Weight | About 600g |
| Working /Storage Temperature | -20~+85℃/-25~+85℃ |
| Working /Storage Humidity | 35-80%RH/35-80%RH |
| Vibration Resistance | 100m/s2,200Hz |
| Impact Resistance | 1000 m/s2,10ms |
| IP Code | IPX50 |
| Main Material | AL 2A12 |
| Shaft Material | 304 |
COMPANY SWITCHBOARD:
0431-89543335
0431-89543336
Copyright ? 2018 Copyright all recommended browser IE6.0 above 1024 * 768 or higher resolution, 吉ICP備11005742號-1