Welcome to the official website of changchun shenghao electronics co., LTD...
Current Location:Home > INCREMENTAL ENCODER > ES-F4A8 Incremental Semi-hollow Shaft Encoder

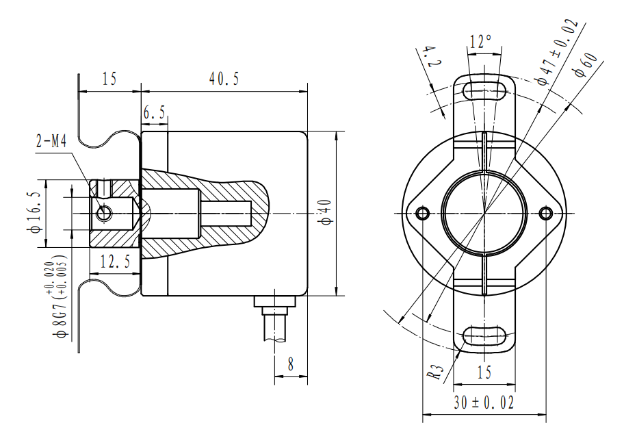
![1562218422369609.png }8P%O99{CF7ZD2EXNZC9]03.png](/attached/image/20190704/1562218422369609.png)
ELECTRIC PARAMETER
Output Form | Line Driver | Push-pull | Open Collector | Voltage | |
Output Signal | ABZA/B/Z/ | ABZ | |||
Supply Voltage | DC5±5%、DC10V~30V±5% | ||||
Working Consumption | 100mA(Max) | ||||
Response Frequency | 300KHz(Max) | ||||
Signal Accurancy | T±1/8T | ||||
Rise & Fall Time | 1000ns(Max) | ||||
Signal Top Value | 2.5V(Min) | ||||
Signal Low Value | 0.6V(Max) | ||||
Insulation Resistance | ≥10MΩ(500VDC) | ||||
Resolution | 60---3600P/R Notes: Resolution can be customized. | ||||
MECHANICAL PARAMETER
Max RPM | 6000rpm |
Axle Load | 30N(Radial)、20N(Axial) |
Starting Torque | 0.002N·m(Max 25℃) |
Weight | About100g |
Working /Storage Temperature | -20~+85℃/-25~+85℃ |
Working /Storage Humidity | 35-80%RH/35-80%RH |
Vibration Resistance | 100m/s2,200Hz |
Impact Resistance | 1000 m/s2,10ms |
IP Code | IPX54 |
Main Material | AL 2A12 |
Shaft Material | 304 |
COMPANY SWITCHBOARD:
0431-89543335
0431-89543336
Copyright ? 2018 Copyright all recommended browser IE6.0 above 1024 * 768 or higher resolution, 吉ICP備11005742號-1